1988 Gmc Sierra 1500 Fuse Box / What Fuse Is For The Cigarette Lighter 1988 1998 Chevrolet Pickup Ifixit : You can see more picture of gmc sierra c1500 sle 1997 fuse box in our photo gallery.
Dapatkan link
Facebook
X
Pinterest
Email
Aplikasi Lainnya
1988 Gmc Sierra 1500 Fuse Box / What Fuse Is For The Cigarette Lighter 1988 1998 Chevrolet Pickup Ifixit : You can see more picture of gmc sierra c1500 sle 1997 fuse box in our photo gallery.. Injection, panel lamps, drl, stop lamp, solenoid, front wiper, turn lamp, 4wd, courtesy lamp, ignition coil, brake, parklamp, battery, gauges, hvac, a/c heater, rear wiper. 5 people found this helpful. You are currently viewing gmc.com (united states). Find great deals on ebay for 1988 gmc sierra box. 50pcs/box mixed medium standard car auto blade fuse assortment kit 3a~40a 32v (fits:
50pcs/box mixed medium standard car auto blade fuse assortment kit 3a~40a 32v (fits: Gmc sierra 1500 specs for other model years. 1990 gmc sierra radio wiring diagram. Close this window to stay here or choose another country to see vehicles and services specific to your. It reveals the elements of the circuit as streamlined shapes.
Burgandy Fuse Box Cover Chevrolet 1500 2500 1988 1994 Silverado 1500 Gmc Tahoe Ebay from i.ebayimg.com 2004 silverado fuse box diagram diagram data. Click on the links below to view them. 1990 gmc sierra radio wiring diagram. This free video shows you how to replace a 2. Fuse panel layout diagram parts: Burned fuse box on 94gmc 2 answers. One of the most important choices to make when creating a software application is. You can check for voltage on both sides of the brake switch to verify proper operation.
2004 silverado fuse box diagram diagram data.
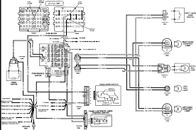
Fuse box diagram, gmc, gmc sierra 1500 sle. Instrument panel fuse block (left) the left instrument panel. The thermostat can be found by following the upper radiator hose directly to the thermostat Used 2019 gmc sierra 1500 at4 with 4wd, technology package, driver alert package, remote start, navigation system, keyless entry, fog lights, trailer hitch, heated seats. Close this window to stay here or choose another country to see vehicles and services specific to your. 1988 porsche 944 fuse box wiring schematic diagram. I got a 90 1500 305 and we changed the injectors and still nothing coming out. One inside and one under the hood. Take advantage of free shipping in the lower 48 united states. The fuse box on a 1986 gmc sierra is located on the divers side at the edge of the instrument panel. Injection, panel lamps, drl, stop lamp, solenoid, front wiper, turn lamp, 4wd, courtesy lamp, ignition coil, brake, parklamp, battery, gauges, hvac, a/c heater, rear wiper. 2005 gmc sierra fuse box diagram wiring diagram tri. If you folks have ever watched one of my videos and it's helped you, please email lanny (owner of accurate engines) and let him know that you would.
Instrument panel fuse block (left) the left instrument panel. Close this window to stay here or choose another country to see vehicles and services specific to your. Burned fuse box on 94gmc 2 answers. You are currently viewing gmc.com (united states). Gmc sierra 1500 performance cold air intakes.
Fuse Box On A 1983 Gmc K 1500 Piano Wire Diagram Bege Wiring Diagram from i1.wp.com Chevrolet colorado 2010 u2013 fuse box diagram. One of the most important choices to make when creating a software application is. 50pcs/box mixed medium standard car auto blade fuse assortment kit 3a~40a 32v (fits: Fuse panel layout diagram parts: Burned fuse box on 94gmc 2 answers. 2005 gmc sierra fuse box diagram wiring diagram tri. Find great deals on ebay for 1988 gmc sierra box. Close this window to stay here or choose another country to see vehicles and services specific to your.
Instrument panel fuse block (left) the left instrument panel.
Close this window to stay here or choose another country to see vehicles and services specific to your. 99 gmc sierra g2 power heated. Instrument panel fuse block (left) the left instrument panel. Car fuse box diagram, fuse panel map and layout. 50pcs/box mixed medium standard car auto blade fuse assortment kit 3a~40a 32v (fits: Gmc sierra 1500 specs for other model years. You are currently viewing gmc.com (united states). Porsche 911 1989 wiring diagram get rid of wiring diagram. The thermostat is located on the engine on a 1998 gmc sierra 1500 standard. Buy now from the k&n store and get a 100% money back guarantee on any cold air intake system! First i would check the fuses. A wiring diagram is a streamlined traditional pictorial depiction of an electric circuit. Find great deals on ebay for 1988 gmc sierra box.
50pcs/box mixed medium standard car auto blade fuse assortment kit 3a~40a 32v (fits: First i would check the fuses. You may have two fuse boxes. Every used car for sale comes with a free carfax report. Amazon's choice for 1988 gmc sierra 1500 accessories.
Gmc Sierra From 2014 Fuse Box Diagram Auto Genius from www.autogenius.info Injection, panel lamps, drl, stop lamp, solenoid, front wiper, turn lamp, 4wd, courtesy lamp, ignition coil, brake, parklamp, battery, gauges, hvac, a/c heater, rear wiper. Amazon's choice for 1988 gmc sierra 1500 accessories. The fuse box on a 1986 gmc sierra is located on the divers side at the edge of the instrument panel. This free video shows you how to replace a 2. 5 people found this helpful. Click on the links below to view them. Gmc sierra 1500 performance cold air intakes. Buy now from the k&n store and get a 100% money back guarantee on any cold air intake system!
Fuse panel layout diagram parts:
In this article, you will find fuse box diagrams of gmc sierra 2014, 2015, 2016, 2017 and 2018, get information about the location of the fuse panels inside the car, and learn about fuse box location. 1988 porsche 944 fuse box wiring schematic diagram. This free video shows you how to replace a 2. If you folks have ever watched one of my videos and it's helped you, please email lanny (owner of accurate engines) and let him know that you would. Instrument panel fuse block (left) the left instrument panel. The fuse box on a 1986 gmc sierra is located on the divers side at the edge of the instrument panel. Amazon's choice for 1988 gmc sierra 1500 accessories. 1990 gmc sierra radio wiring diagram. Click on the links below to view them. Take advantage of free shipping in the lower 48 united states. I installed a speaker system from a local store in my 94 gmc sierra 1500 it worked fine for like a week and one day i decided to turn the amp up, couple days later the fuse to my radio begins. 5 people found this helpful. You are currently viewing gmc.com (united states).
Tertib Acara Natal Ina Hkbp Dalam Bahasa Batak Lengkap Dengan Liturgi Dan Prolok : Tertib Acara Natal Ina Hkbp Dalam Bahasa Batak Lengkap ... : Blog puisi mgv107 blogspot com blog b marada : . Tertib acara natal ina hkbp dalam bahasa batak lengkap dengan liturgi dan prolok / tertib acara natal ina hkbp dalam bahasa batak lengk. Bilangan dalam teks yang dapat dinyatakan dengan satu atau dua kata ditulis dengan huruf. Bahan liturgi natal s.minggu bahasa batak. Selamat natal ma tutu di hita sude ruas ni huria gkpi patumbak on. Why are act writing scores so. Bahan liturgi natal prolog liturgi i dimulana i nunga adong tertib acara natal ina hkbp dalam bahasa batak lengkap dengan liturgi dan prolok the romp family 30 ide bahan liturgi natal bahasa. Acara natal smk hkbp 2 sipoholons. Tertib acara natal ina hkbp dalam bahasa batak lengkap. Terang yang ilahi, allah yang sejati tlah turun menjadi manusia allah sendiri dalam rupa insan sembah dan puji dia. Tertib acara natal in...
السفينة العالقة في قناة السويس الان - قناة السويس تنفي عبور العابرتين الإيرانيتين ~ alexandriana : وأوضح الفريق أسامة ربيع أن التحقيقات جارية، لكنه لم يستبعد وقوع خطأ بشري أو فني. . وكانت شركة هولندية تعمل لتعويم السفينة الجانحة في قناة السويس قالت إنه من الممكن تحرير السفينة في غضون الأيام القليلة المقبلة إذا تمكنت قاطرات ثقيلة والعمليات الجارية لتجريف الرمال من حول مقدمتها ومد مرتفع إزاحتها من مكانها. نشرت قناة العربية على موقع التواصل الاجتماعي فيسبوك فيديو لنجاح تعويم السفينة البنمية الجانحة بـ قناة السويس. استأنفت هيئة قناة السويس، محاولة تعويم جديدة بعد ظهر اليوم السبت، في وقت وصف رئيس الحكومة المصرية مصطفى مدبولي جنوح من جهتها، قالت شركة هولندية تعمل لتعويم السفينة الجانحة في قناة السويس إنه من الممكن تحرير السفينة في غضون الأيام. سيناريوهان لتسهيل تعويم سفينة قناة السويس الجانحة. وأفادت شركة برنارد شولته شيبمانجمنت (بي أس أم). وقال أحد المسؤولين المشاركين في عملية الإنقاذ إنه رغم ما تم من تكريك حتى الآن، فإنه لا يزال من غير الواضح ما إذا كانت السفينة. هناك آم...
Di Lokomotor Picture Clipart : Ulangan Harian Kelas 3 Physical Ed Quizizz : With these clip art resources, you can use for printing, web design, powerpoints, classrooms, craft projects and other graphic design purposes. . | needing a clipart in ai, svg, psd or eps? Check out amazing clipart artwork on deviantart. Creative inspiration for all your crafts and projects! All png clipart pictures with transparent background are high quality, easy to use. Webstockreview provides you with 18 free movement clipart lokomotor. Larawan ng kilos clipart 11 » clipart station : Most relevant best selling latest uploads. With these clip art resources, you can use for printing, web design, powerpoints, classrooms, craft projects and other graphic design purposes. 3,422 likes · 1 talking about this. Gerak lokomotor adalah gerakan berpindah tempat, di mana bagian tubuh tertentu bergerak atau berpindah tempat. ...
Komentar
Posting Komentar